Kemény munka izzadság nélkül
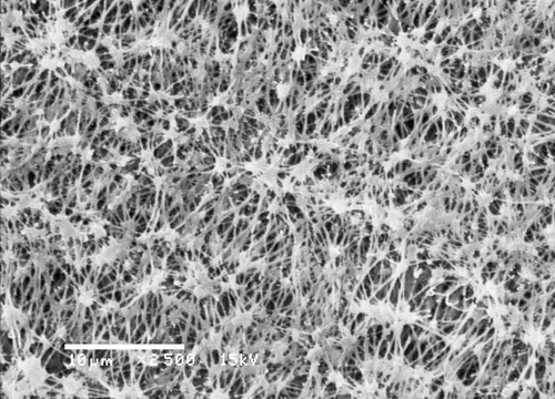
A GE új csúcstechnológiás ruházata segíti az extrém körülmények között dolgozók és sportolók jobb teljesítményét.Az 1990-es években az ipari szennyezőanyag-szűrőket gyártó innovatív BHA Csoport teflonmembránokkal kísérletezett, melyeket cementégető kemencékben és széntüzelésű kazánok kéményeiben kívánt használni. Észrevették, hogy amikor a laboratóriumban vékony hártyává nyújtották és speciális bevonattal vonták be az anyagot, az vízálló és légáteresztő is lett egyben. „A folyamat során több millió mikroszkopikus pórus keletkezett, amelyek túl kicsik voltak ahhoz, hogy átengedjék a vízcseppeket, ám elég nagyok voltak ahhoz, hogy a pára eltávozhasson” – meséli Daniel Burch, a BHA-t 2004-ben felvásárló GE Power & Water munkatársa.
A GE most eVent szövetnek hívja ezt az anyagot. A szövet számos extrém sportoló számára biztosított védelmet a legszélsőségesebb körülmények között.
A GE mérnökei által kifejlesztett eVent szövet a speciális bevonatnak köszönhetően védi a rétegeket és nyitva tartja az aprócska pórusokat. (Forrás: GEReports.com
Az anyagra a ruhagyártók is felfigyeltek. A GE nemrégiben éppen Kína legnagyobb ruhagyártó, ruházati- és textilexportőr cégével, a Dishang Csoporttal kötött szerződést az eVent szövet szállítására. A Dishang k
ülön egységet hoz létre eVent ruházati cikkek gyártására. A gyártás várhatóan még az idei év végén megkezdődik. Chad Kelly, a GE eVent szövetért felelős globális termékmenedzsere szerint így egyszerűbbé és racionalizáltabbá válik a termékfejlesztés, illetve gyorsabban dobhatók piacra az újabb eVent fejlesztések.
Más gyártók is használnak nyújtott teflont – hivatalos nevén nyújtott politetraflouretilént (ePTFE-t) – vízálló anyagok készítéséhez. Ők általában poliuretán bevonattal védik az olajos szennyeződésektől, az izzadságtól, a naptejtől és az egyéb ragacsos anyagoktól az ePTFE hártyát, melyet egy kemény külső vízálló réteg, valamint egy puha belső bélés között helyeznek el. Ám a poliuretán réteg valójában elzárja az ePFTE pórusait, és a ruhába zárja az izzadságot mindaddig, amíg a test melege át nem nyomja azt a pórusokon.
A hagyományos vízálló technológiákkal szemben az eVent kiengedi az izzadságot, szárazon hagyva a rendszert. (Forrás: GEReports.com)
Az eVent szövetből készült ruhadaraboknál azonban nem ezt a poliuretános védelmet alkalmazzák. A GE mérnökei kifejlesztettek egy olyan technológiát, amely speciális, szabadalmaztatott bevonattal vonja be az ePFTE membránt. A bevonat védi a rétegeket és nyitva tartja az aprócska pórusokat. „Mivel az eVent nem zárja el a pórusokat, az izzadság rögtön távozni tud, így az embernek nem lesz olyan melege és szárazabb marad” – mondja Burch a GE-től. „Ahogy mondani szoktuk, az eVent kiengedi az izzadságot. Ezért a száraz rendszer névvel illetjük.”

